Hidrolik
Silindirler
5 Ton Hidrolik Silindir
Surkon EWZ005050
[5 Ton - 50 mm Strok]
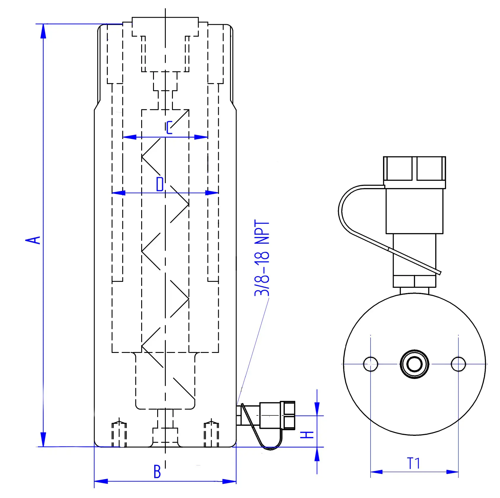
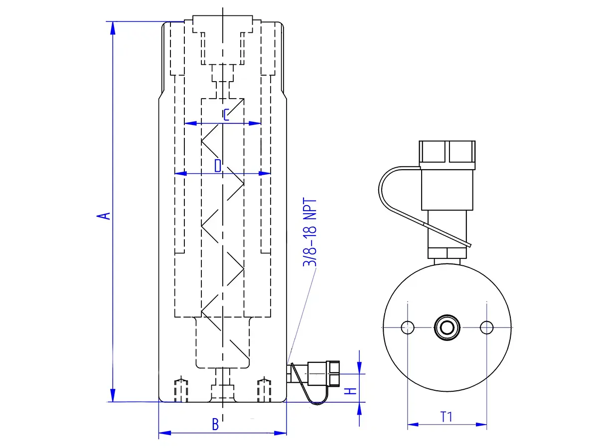
Model No |
EWZ005050 |
Kapasite | 5 ton |
Strok | 50 mm |
Kapalı boy | 135 mm |
Kriko çapı | 42 mm |
Etki Alanı | 7,1 cm² |
Yağ Hacmi | 52 cm³ |
Bağlantı | 3/8” Npt |
Ağırlık | 1.2 kg |
Siindir Tipi | Tek Etkili / Yay Dönüşlü |
Marka Menşey | Surkon / Türkiye |
5 Ton 50 mm Çok Amaçlı Hidrolik Kriko
- Kapasite aralığı 5 ton – 150 ton
- Strok seçeneği 50 mm – 200 mm
- 700 bar maks. çalışma basıncı
- Tek etkili yay dönüşlü tasarım
- Islahlı çelikten tek parça gövde
- Dik veya yatay çalışma özelliği
- Çok amaçlı kullanıma uygun
- Küçük hacim, yüksek kapasite
- Krom kaplamalı piston ve gövde
- Yağ girişi 3/8” NPT vidalı kaplin
- Korozyona karşı maks. koruma
- Yerli tasarım yerli ve milli üretim
- Teknik desteği Surkon karşılar
Çok Amaçlı Surkon Hidrolik Krikolar
Surkon EWZ serisi hidrolik ekipmanlar, 700 barda çalışan, tek etkili yay dönüşlü krikolardır. Çok amaçlı kullanıma uygun hidrolik krikolar krikolar 5 ton ile 150 ton kapasite arasında çok sayıda modeli içerir. Her kapasitede 50mm, 100mm, 150mm ve 200mm strok boyları bulunur. Surkon krikoları Türkiye’de üretilir. Avrupa menşeyli olan tüm markalarla aynı kalite ve garanti şartlarını karşılar. 700 Bar tüm hidrolik el pompası, elektrikli ünite ve hidropnomatik ünitelerle yüzde yüz uyumludur. Teknik destek Türkiye’de Surkon tarafından sağlanır
Model | Kapasite | Strok | Etki Alanı | Yağ Hacmi | Kapalı Boy | Dış Çap | Rot Çapı | İç Çap | Kaplin Mesafesi | Alt Delik M. | Ağırlık |
# | ton | mm | cm2 | cm3 | mm (A) | ø mm (B) | ø mm (C) | ø mm (D) | mm (H) | mm (T1) | kg |
EWZ005050 | 5 | 50 | 7,1 | 52 | 135 | 42 | 25 | 30 | 19 | 28 | 1,2 |
EWZ005100 | 5 | 100 | 7,1 | 98 | 195 | 42 | 25 | 30 | 19 | 28 | 1,7 |
EWZ005150 | 5 | 150 | 7,1 | 142 | 245 | 42 | 25 | 30 | 19 | 28 | 2,2 |
EWZ005200 | 5 | 200 | 7,1 | 186 | 295 | 42 | 25 | 30 | 19 | 28 | 2,5 |
EWZ010050 | 10 | 50 | 7,1 | 113 | 145 | 60 | 36 | 45 | 19 | 39 | 2,6 |
EWZ010075 | 10 | 75 | 15,9 | 162 | 170 | 60 | 36 | 45 | 19 | 39 | 3 |
EWZ010100 | 10 | 100 | 15,9 | 211 | 195 | 60 | 36 | 45 | 19 | 39 | 3,3 |
EWZ010150 | 10 | 150 | 15,9 | 314 | 255 | 60 | 36 | 45 | 19 | 39 | 4,3 |
EWZ010200 | 10 | 200 | 15,9 | 412 | 305 | 60 | 36 | 45 | 19 | 39 | 5,2 |
EWZ010250 | 10 | 250 | 15,9 | 511 | 355 | 60 | 36 | 45 | 19 | 39 | 6 |
EWZ010300 | 10 | 300 | 15,9 | 609 | 405 | 60 | 36 | 45 | 19 | 39 | 6,8 |
EWZ015050 | 15 | 50 | 23,7 | 145 | 135 | 75 | 45 | 55 | 22 | 58 | 3,9 |
EWZ015100 | 15 | 100 | 23,7 | 290 | 195 | 75 | 45 | 55 | 22 | 58 | 5,5 |
EWZ015150 | 15 | 150 | 23,7 | 430 | 270 | 75 | 45 | 55 | 28 | 42 | 7,6 |
EWZ020050 | 23 | 50 | 33,2 | 229 | 145 | 90 | 55 | 65 | 20 | 65 | 6,1 |
EWZ020100 | 23 | 100 | 33,2 | 432 | 205 | 90 | 55 | 65 | 20 | 65 | 8,5 |
EWZ020150 | 23 | 150 | 33,2 | 640 | 265 | 90 | 55 | 65 | 20 | 56 | 10,9 |
EWZ020200 | 23 | 200 | 33,2 | 849 | 325 | 90 | 55 | 65 | 20 | 56 | 13,4 |
EWZ030050 | 30 | 50 | 44,2 | 306 | 160 | 100 | 60 | 75 | 27 | 70 | 8,1 |
EWZ030100 | 30 | 100 | 44,2 | 584 | 220 | 100 | 60 | 75 | 27 | 70 | 10,9 |
EWZ030150 | 30 | 150 | 44,2 | 863 | 280 | 100 | 60 | 75 | 27 | 70 | 13,8 |
EWZ030200 | 30 | 200 | 44,2 | 1141 | 340 | 100 | 60 | 75 | 27 | 70 | 16,6 |
EWZ050050 | 55 | 50 | 78,5 | 506 | 160 | 135 | 80 | 100 | 28 | 110 | 15,3 |
EWZ050100 | 55 | 100 | 78,5 | 974 | 220 | 135 | 80 | 100 | 28 | 110 | 20,5 |
EWZ050150 | 55 | 150 | 78,5 | 1454 | 300 | 135 | 80 | 100 | 28 | 110 | 27,9 |
EWZ050200 | 55 | 200 | 78,5 | 1909 | 350 | 135 | 80 | 100 | 28 | 110 | 32,2 |
EWZ080050 | 80 | 50 | 113 | 789 | 180 | 160 | 100 | 120 | 32 | 125 | 24,3 |
EWZ080100 | 80 | 100 | 113 | 1481 | 240 | 160 | 100 | 120 | 32 | 125 | 31,8 |
EWZ080150 | 80 | 150 | 113 | 2195 | 310 | 160 | 100 | 120 | 32 | 125 | 40,9 |
EWZ100050 | 100 | 50 | 153,9 | 1102 | 195 | 185 | 120 | 140 | 37 | 150 | 35,1 |
EWZ100100 | 100 | 100 | 153,9 | 2007 | 250 | 185 | 120 | 140 | 37 | 150 | 44,4 |
EWZ100150 | 100 | 150 | 153,9 | 2969 | 315 | 185 | 120 | 140 | 37 | 150 | 56 |
EWZ150100 | 150 | 100 | 226,9 | 3076 | 275 | 225 | 150 | 170 | 47 | 180 | 74,5 |
EWZ150150 | 150 | 150 | 226,9 | 4406 | 335 | 225 | 150 | 170 | 47 | 180 | 90,3 |
Surkon EWZ Krikoların Özellikleri
- Yerli milli tasarım ve milli üretim
- Küçük hacimde yüksek kapasite sunar
- Çok amaçlı kullanıma uygun tasarım
- Bakım, montaj, test, üretim ağır şartlara uygun
- Dik veya yatay pozisyonda çalışabilme özelliği
- Tamir, bakım, kalibrasyon hizmetleri Surkon tarafından sağlanır
Çok Amaçlı Kullanım
EWZ serisi hidrolik silindirler çok amaçlı olarak kullanılmak üzere tasarlanmış hidrolik kriko sistemleridir. Bu krikolar hem yatay hem dikey olmak üzere her türlü çalışabilirler. Silindirlerin üst kısmına ve piston miline diş çekilmiş olması sayesinde pres uygulamaları başta olmak üzere kaldırma ve ittirme haricinde de pek çok alanda kullanılabilir. Krikoların tabanında ayrıca sabitleme yuvaları bulunur. Krikolar bu yuvalardan herhangi bir yere sabitlenerek de çalıştırılabilir. EWZ silindirlerin kullanımını kolaylaştıracak, kapsamını genişletecek pek çok ataçman da bulunur.
Değiştirilebilir sertleştirilmiş taşıyıcı kafa
Bütün EWZ krikolar, sertleştirilmiş değiştirilebilir yük taşıyıcı kafalar ile donatılmıştır. Pistona vidalanın bu kafalar sayesinde yük altındaki piston herhangi bir hasar görmez. Taşıyıcı kafalar uygulanan ısıl işlem sayesinde kolay kolay hasar görmezler. Hasar görmesi durumunda söz konusu kafalar yedek parça olarak temin edilebilir.
Kaplin Bağlantı
EWZ serisi krikolar hızlı birleştirme vidalı kaplinler ile donatılmışlardır. Kaplin bağlantısı bu krikolarla çalışmayı hem ergonomik hem de güvenli hale getirir. Kaplinli bağlantı sayesinde bu krikoların pompa ile bağlantıları hızlı bir şekilde yapılır. Söküp takma işlemlerinde herhangi bir anahtar kullanmaya gerek kalmaz. Kullanılan kaplinler yapılarında valf içerdikleri için söküp takma sırasında yağ sızması olmaz.
Pratik birleştirme kaplinleri ayrıca toz kapaklarıyla donatılmışlardır. Kapaklar kaplinlerin valflerini ve kapalı devre çalışan sisteme toz, kum gibi zararlı maddelerin girmesini engeller.
Uygulama Alanları – Senkron Kaldırma
EWZ serisi silindirler çok amaçlı kullanılabilen krikolardır. Endüstri, inşaat, gemicilik, maden gibi pek çok alanda kullanılabilecek şekilde tasarlanmışlardır. EWZ krikolar yüksek basınç çalışan hidrolik pres uygulamaları için ideal ürünlerdir. Krikonun üst gövdesinin dıştan dişli olması pres ve pres benzeri uygulamalar için düşünülmüştür. EWZ hidrolik krikolar, bina ve köprü kaldırma, platform teraziye alma, gemi kaldırma, yat kaldırma ve yat tartma işlemlerinde kullanılır. Senkron kaldırma uygulamaları için idealdir.
Dokümanlar
- Surkon EWZ Çok Amaçlı Hidrolik Kriko
Hızlı Fiyat Teklifi
![5 Ton Hidrolik Silindir <br/> Surkon EWZ005050<br/><span class=orange> [5 Ton - 50 mm Strok]</span>](https://surkon.com.tr/uploads/03-hidrolik-ekipmanlar/surkon-ewz/01-ewz005050-hidrolik-kriko.webp)
5 Ton Hidrolik Silindir
Surkon EWZ005050
[5 Ton - 50 mm Strok]
![5 Ton Hidrolik Yassı Kriko <br/> Surkon FZ005006 <br/><span class=orange> [5 Ton - 6 mm Strok]</span>](https://surkon.com.tr/uploads/03-hidrolik-ekipmanlar/surkon-fz/07-fz005006-yaprak-kriko.webp)
5 Ton Hidrolik Yassı Kriko
Surkon FZ005006
[5 Ton - 6 mm Strok]
![5 Ton Hidrolik Yassı Kriko <br/> Surkon FZ005011<br/><span class=orange> [5 Ton - 11 mm Strok]</span>](https://surkon.com.tr/uploads/03-hidrolik-ekipmanlar/surkon-fz/11-fz005011-yassi-kriko.webp)
5 Ton Hidrolik Yassı Kriko
Surkon FZ005011
[5 Ton - 11 mm Strok]
![10 Ton Hidrolik Yassı Kriko <br/> Surkon FZ010011<br/><span class=orange> [10 Ton - 11 mm Strok]</span>](https://surkon.com.tr/uploads/03-hidrolik-ekipmanlar/surkon-fz/11-fz010011-yaprakkriko.webp)
10 Ton Hidrolik Yassı Kriko
Surkon FZ010011
[10 Ton - 11 mm Strok]
![20 Ton Hidrolik Yassı Kriko <br/> Surkon FZ020011<br/><span class=orange> [20 Ton - 11 mm Strok]</span>](https://surkon.com.tr/uploads/03-hidrolik-ekipmanlar/surkon-fz/11-fz010011-yaprakkriko.webp)