Hidrolik
Silindirler
5 Ton Hidrolik Yassı Kriko
Surkon FZ005011
[5 Ton - 11 mm Strok]
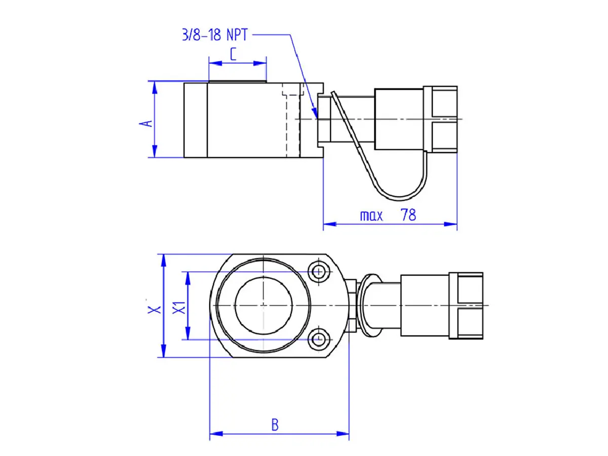
| Model No | FZ005011 |
| Kapasite | 5 ton |
| Strok | 11 mm |
| Siindir Tipi | Tek Etkili / Yay Dönüşlü |
| Etki Alanı | 7,1 cm² |
| Yağ Hacmi | 12 cm³ |
| Kapalı Boy | 45 mm |
| Bağlantı | 3/8" NPT Kaplin |
| Genişlik | 65 mm |
| Ağırlık | 0,6 kg |
| Menşei/Marka | Türkiye/Surkon |
5 Ton 11 mm Hidrolik Yaprak Krikolar
- Kapasite aralığı 5 – 150 ton
- Strok boyu 11, 14, 16, 25 mm
- Ultra yassı, hafif yaprak kriko
- Tek etkili, yay dönüşlü, 700 bar
- 3/8” Npt vidalı kaplin donanımlı
- Ağır çalışma şartlarına uygun yapı
- Dar bölgeler için ideal kesik tasarım
- Sabitleme için montaj deliği bulunur
- Her marka hidrolik pompaya uyumlu
- Siyah nitrat kaplama paslanmayı önler
- Yan yük hasarlarına karşı korumalı yapı
- Teknik destek Surkon tarafından sağlanır
| Model | Kapasite | Strok | Etki Alanı | Yağ Hacmi | Kapalı Boy A | B ø | C ø | X | X1 | Ağırlık |
| # | Ton | mm | cm² | cm³ | mm | mm | mm | mm | mm | kg |
| FZ005006 | 5 | 6 | 7,1 | 8 | 40 | 65 | 20 | 41 | 28,4 | 0,6 |
| FZ005011 | 5 | 11 | 7,1 | 12 | 45 | 65 | 20 | 41 | 28,4 | 0,6 |
| FZ010011 | 10 | 11 | 15,9 | 27 | 48 | 78 | 30 | 60 | 37 | 1,3 |
| FZ020011 | 20 | 11 | 31,2 | 55 | 53 | 106 | 40 | 85 | 50 | 3,71 |
| FZ030014 | 30 | 14 | 44,2 | 100 | 70 | 118 | 45 | 98 | 55 | 5,29 |
| FZ030025 | 30 | 25 | 44,2 | 160 | 76 | 130 | 55 | 125 | 65 | 6,3 |
| FZ050016 | 50 | 16 | 78,5 | 181 | 81 | 148 | 55 | 125 | 75 | 8,7 |
| FZ075016 | 80 | 16 | 113 | 283 | 87 | 178 | 70 | 159 | 90 | 14,7 |
| FZ100016 | 100 | 16 | 153,9 | 392 | 92 | 215 | 90 | 170 | 100 | 18,77 |
| FZ150016 | 150 | 16 | 226,9 | 626 | 102 | 255 | 110 | 200 | 120 | 28 |

Ultra Yassı Yüksek Tonaj Yaprak Krikolar
Surkon FZ ve FLZ serisi hidrolik krikolar ultra düşük tabanlı yassı silindir modelini tanımlar. Bu model aynı zamanda yaprak kriko alarak da adlandırılır. FZ serisi yay dönüşlü, FLZ serisi ise yük dönüşlü modelleri oluşturur. Bu modellerde minimum kapalı boy ve hacimde maksimum kaldırma kapasitesi mevcuttur. Bu krikolar 700 barda çalıştıkları için hacimleri küçüktür. FZ serisi hidrolik krikolar minimum hacimde maximum kaldırma kuvveti üretirler.
FZ Serisi Hidrolik Krikolar — Güçlü, Dayanıklı ve Hassas Çözüm
Surkon FZ serisi hidrolik krikolar, 5 ila 150 ton kapasite aralığı ile ağır iş koşullarında üstün performans gösterir. Ultra yassı ve hafif yaprak tasarımı sayesinde, dar ve zorlu çalışma alanlarında kullanım için idealdir. 11, 14, 16 ve 25 mm strok boyları seçenekleriyle çeşitli uygulamalara uyum sağlar.
Tek etkili, yay dönüşlü yapısı ve 700 bar çalışma basıncı ile güvenilir bir güç aktarımı sunar. 3/8” NPT vidalı kaplin bağlantısı sayesinde montaj kolaylığı sağlar. Surkon FZ serisi krikolar her marka 700 Bar hidrolik pompaya uyumludur. Siyah nitrat kaplama paslanmaya karşı koruma sağlar. Kriko tasarımda kullanılan yataklamalar yan yük hasarlarını önleyerek uzun ömürlü olmalarına olanak sağlar.
Dar Bölgeler İçin Yandan Kesik Tasarım
Surkon FZ serisi yassı hidrolik krikolar çalışma alanı çok dar ve alçak olan bölgelerdeki ağır tonaj işlemleri gerçekleştirmek üzere tasarlanmışlardır. Hem kısa boylu hem de yandan kesik olmaları sayesinde çok dar alanlarda kullanım imkanı sunarlar. FZ serisi krilolar 2 montaj deliği ile donatılmıştır. Montaj delikleri, krikonun çalışma alanına sabitlenmesini kolaylaştırır ve kullanım sırasında maksimum güvenlik sağlar.
Surkon FZ serisi krikolar için Surkon bünyesinde el pompası, ayak pompası, hidropnamatik pompa, elektrikli ve akülü pompa modelleri bulunur. 700 Bar yüksek basınca dayanıklı her türlü bağlantı aksesuarı ve manometre Surkon tarafından sağlanır.

Dokümanlar
- FZ Hidrolik Yassı Kriko Ürün Broşür
Hızlı Fiyat Teklifi
![5 Ton Hidrolik Kriko <br/> Power Team C55CBT <br/><span class=orange> [5 Ton - 130 mm Strok]</span>](https://surkon.com.tr/uploads/03-hidrolik-ekipmanlar/power-team-silindirler/cbt/01-power-team-cbt.webp)
5 Ton Hidrolik Kriko
Power Team C55CBT
[5 Ton - 130 mm Strok]
![10 Ton Hidrolik Kriko <br/> Power Team C106CBT<br/><span class=orange> [10 Ton - 155 mm Strok]</span>](https://surkon.com.tr/uploads/03-hidrolik-ekipmanlar/power-team-silindirler/cbt/01-power-team-cbt.webp)
10 Ton Hidrolik Kriko
Power Team C106CBT
[10 Ton - 155 mm Strok]
![10 Ton Hidrolik Kriko <br/> Power Team C1010CBT<br/><span class=orange> [10 Ton - 250 mm Strok]</span>](https://surkon.com.tr/uploads/03-hidrolik-ekipmanlar/power-team-silindirler/cbt/01-power-team-cbt.webp)
10 Ton Hidrolik Kriko
Power Team C1010CBT
[10 Ton - 250 mm Strok]
![25 Ton Hidrolik Kriko <br/> Power Team C256CBT<br/><span class=orange> [25 Ton - 150 mm Strok]</span>](https://surkon.com.tr/uploads/03-hidrolik-ekipmanlar/power-team-silindirler/cbt/01-power-team-cbt.webp)
25 Ton Hidrolik Kriko
Power Team C256CBT
[25 Ton - 150 mm Strok]
![25 Ton Hidrolik Kriko <br/> Power Team C2514CBT<br/><span class=orange> [25 Ton - 362 mm Strok]</span>](https://surkon.com.tr/uploads/03-hidrolik-ekipmanlar/power-team-silindirler/cbt/01-power-team-cbt.webp)



