Hidrolik
Silindirler
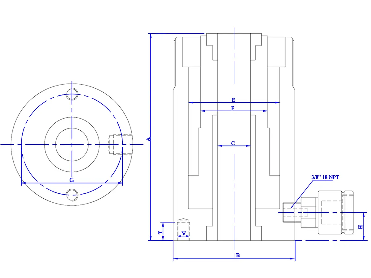
10 Ton Delikli Hidrolik Kriko
Surkon HKZ010015
[10 Ton - 15 mm Strok]
| Model No |
HKZ010015 |
| Kapasite | 12 ton |
| Strok | 15 mm |
| Kapalı Boy | 65 mm |
| Delik Çapı | 21 mm |
| Kriko Çapı | 78 mm |
| Etki Alanı | 17.6 cm² |
| Yağ Hacmi | 27 cm³ |
| Bağlantı | 3/8” Npt |
| Ağırlık | 2 kg |
| Silindir Tipi | Tek Etkili / Yay Dönüşlü |
| Marka Menşei | Surkon / Türkiye |
Kapasite aralığı 10 ton - 150 ton- Strok seçeneği 15mm - 150mm
- Tonaja göre delik çapı ø21 - ø80mm
- Çalışma basıncı 700 bar maksimum
- Tek etkili, yay dönüşlü hidrolik sistem
- Çekme ve itme işlemlerini uygun yapı
- Dikey veya yatay kullanıma uygun
- Değiştirilebilir sertleştirilmiş kafa
- Flanş montajina uygun gövde dişi
- Vidalı birleştirme kaplin bağlantılı
- Ağır çalışma şartlarına uygun tasarım
- Her marka hidrolik pompaya uygun
- Türkiyede yedek parça ve teknik destek
Delikli Piston Hidrolik Krikolar
HKZ serisi delikli piston silindirler ağır ve hafif sanayi uygulamalarında çekme ve itme kuvvetinin dikey yatay alt üst şekilde uygulanabildiği krikolardır. Bu krikolarda piston boydan boya deliktir. Çektirme işleminde saplama bu delikten geçer. Somun ile sabitlenen saplama piston kursunun ilerlemesiyle birlikte bağlı olduğu malzemeyi çeker. Delikli piston krikolar yük taşıyıcı dolu başlık kullanılarak tek etkili standart krikolar gibi kaldırma işlemlerinde de kullanılabilir.
| Model | Kapasite | Strok | Etki Alanı | Yağ Hacmi | Kapalı Boy | Delik Çapı | Dış Çap | Rot Çapı | İç Çap | Kaplin Mesafesi | Alt Delik M. | Ağırlık |
| # | ton | mm | cm2 | cm3 | mm (A) | mm ( C ) | ø mm (B) | ø mm (F) | ø mm (E) | mm (H) | mm (G) | kg |
| HKZ010015 | 12 | 15 | 17,6 | 27 | 65 | 21 | 78 | 40 | 55 | 19 | 51 | 2 |
| HKZ010025 | 12 | 25 | 17,6 | 44 | 110 | 21 | 78 | 40 | 55 | 19 | 51 | 3,2 |
| HKZ010040 | 12 | 40 | 17,6 | 71 | 130 | 21 | 78 | 40 | 55 | 19 | 51 | 3,7 |
| HKZ010080 | 12 | 80 | 17,6 | 141 | 205 | 21 | 78 | 40 | 55 | 19 | 51 | 5,8 |
| HKZ010150 | 12 | 150 | 17,6 | 264 | 300 | 21 | 78 | 40 | 55 | 19 | 51 | 8,5 |
| HKZ015015 | 15 | 15 | 22,1 | 34 | 65 | 21 | 83 | 45 | 66 | 19 | 65 | 2,4 |
| HKZ015020 | 15 | 20 | 22,1 | 45 | 73 | 21 | 83 | 45 | 66 | 19 | 65 | 2,6 |
| HKZ020020 | 24 | 20 | 32,3 | 65 | 75 | 21 | 95 | 51 | 75 | 19 | 75 | 3,7 |
| HKZ020050 | 24 | 50 | 34,5 | 173 | 170 | 27 | 100 | 55 | 75 | 23 | 83 | 7,9 |
| HKZ020100 | 24 | 100 | 34,5 | 346 | 240 | 27 | 100 | 55 | 75 | 23 | 83 | 11 |
| HKZ020150 | 24 | 150 | 34,5 | 518 | 300 | 27 | 100 | 55 | 75 | 23 | 83 | 13,6 |
| HKZ030050 | 30 | 50 | 47,7 | 239 | 180 | 34 | 120 | 68 | 90 | 23 | 92 | 12,1 |
| HKZ030100 | 30 | 100 | 47,7 | 477 | 265 | 34 | 120 | 68 | 90 | 23 | 92 | 17,8 |
| HKZ030150 | 30 | 150 | 47,7 | 716 | 325 | 34 | 120 | 68 | 90 | 23 | 92 | 21,5 |
| HKZ040050 | 40 | 50 | 57,27 | 286 | 185 | 40 | 135 | 78 | 105 | 23 | 110 | 16 |
| HKZ040100 | 40 | 100 | 57,27 | 572 | 265 | 40 | 135 | 78 | 105 | 23 | 110 | 16,5 |
| HKZ040150 | 40 | 150 | 57,27 | 860 | 325 | 40 | 135 | 78 | 105 | 23 | 110 | 24 |
| HKZ050050 | 50 | 50 | 71,24 | 356 | 210 | 45 | 145 | 85 | 115 | 28 | 120 | 22,7 |
| HKZ050100 | 50 | 100 | 71,24 | 713 | 275 | 45 | 145 | 85 | 115 | 28 | 120 | 27 |
| HKZ050150 | 50 | 150 | 71,24 | 1068 | 325 | 45 | 145 | 85 | 115 | 28 | 120 | 31,5 |
| HKZ060050 | 60 | 50 | 94,2 | 471 | 215 | 56 | 175 | 95 | 130 | 31 | 130 | 31 |
| HKZ060080 | 60 | 75 | 94,2 | 707 | 255 | 56 | 175 | 95 | 130 | 31 | 130 | 36,4 |
| HKZ060150 | 60 | 150 | 94,2 | 1413 | 340 | 56 | 175 | 95 | 130 | 31 | 130 | 46,8 |
| HKZ080100 | 80 | 100 | 113,1 | 1130 | 305 | 73 | 200 | 115 | 150 | 35 | 170 | 55,1 |
| HKZ080150 | 80 | 150 | 113,1 | 1696 | 355 | 73 | 200 | 115 | 150 | 35 | 170 | 63,5 |
| HKZ100050 | 104 | 50 | 148,4 | 742 | 250 | 81 | 225 | 130 | 170 | 40 | 178 | 57,7 |
| HKZ100100 | 104 | 100 | 148,4 | 1484 | 320 | 81 | 225 | 130 | 170 | 40 | 178 | 72,5 |
| HKZ100150 | 104 | 150 | 148,4 | 2226 | 405 | 81 | 225 | 130 | 170 | 40 | 178 | 85,6 |
| HKZ150050 | 165 | 50 | 235,5 | 3534 | 310 | 81 | 265 | 130 | 200 | 40 | 178 | 115 |
| HKZ150150 | 165 | 150 | 235,5 | 3534 | 430 | 81 | 265 | 160 | 200 | 50 | 220 | 145 |
Delikli Krikoda Optimum Ölçüler
Surkon delikli piston krikolar ağır sanayinin ihtiyaçları dikkate alınarak en optimum ölçülerde üretilmiştir. Bu özellik sayesinde kullanım alanı genişler. Kullanıcılara daha fazla seçenek sunar. Her türlü kullanıma uygun hale gelir. Bu krikolarda piston içindeki delik çapı önem taşır. Bu delik çapı uygulanmak istenen kuvvet ile doğru orantılıdır. Tonaj arttıkça delik çapı da artar.
Tonaj, Strok ve Delik Çapı Seçenekleri
HKZ serisi 12 ton ile 165 ton arasında 10 farklı tonaj seçeneğine sahiptir. Her farklı tonaj grubunda ise 15 - 150 mm aralığında (strok) kurs boyu seçenekleri bulunur. Krikoların delik çapları kapasiteye göre değişir. En küçük krikonun delik çapı 21mm den başlar 27, 34, 40, 45, 56, 73 ve 81 mm olarak devam eder. HKZ serisi hidrolik çektirme krikoları 700 bar çalışma basıncında yay dönüşlü olarak üretilmişlerdir. Piston, basınç düştüğünde kriko içindeki yay sayesinde kendiliğinden krikonun gövdesine çekilir. Bu yapı kullanımı son derece kolaylaştırır.
Çektirme Uygulamaları
HKZ serisi delikli piston krikolar her türlü hidrolik çektirme, bulon ve halat gerdirme işlemleri için ideal çözümler sunar. Delik çapları, kapalı boy ve ağırlıklar müşteri ihtiyaçlarına göre tasarlanmıştır. Surkon delikli piston hidrolik krikolar konusunda uzun yılların deneyimi ile en uygun ölçüleri standart hale getirmiştir. Bu krikolar, iş makinesi tamir servisleri, saplama gerdirme veya çekme işlemi yapan atölyeler ve bulon çekme test işlemi yapan işletmeler için vazgeçilmez bir ekipmandır.
Hidrolik Pompa Seçeneği
Delikli piston krikolar el pompası, ayak pompası, hava tahrikli ayak pompası veya elektrikli hidrolik güç ünitesi ile çalıştırılırlar. Güç kaynağının seçimi kullanım sıklığı ve krikonun tonajı gibi faktörlere yapılır. Bütün krikolar el pompası ile çalıştırılabilirler. El veya ayak pompası en ekonomik ve etkin çözümdür. Surkon programında bulunan WH serisi el pompaları yağ ihtiyacına göre seçilebilir.
Yoğun ve yüksek tonajlı krikolarda hava tahrikli hidrolik pompa veya elektrikli hidrolik güç ünitesi seçilebilir. Hidropnomatik pompa ve elektrikli güç ünitesi işlemlerin daha hızlı yapılmasını sağlar.
Alternatif Hidrolik Krikolar
- Enerpac RCH120 Hydraulic Cylinder
- Hi Force HHS101 Hydraulic Cylinder
- LARZEP SH01204 Hydraulic Cylinder
- Power Team RH102 Hydraulic Cylinder
Garanti Hizmetleri
HKZ serisi silindirler yüksek kalite ıslahlı dolu çelik malzemeden üretilmiştir. Bu krikolar yatay veya açılı çalıştırılmadıkları sürece herhangi bir arıza vermezler.
Ancak buna rağmen arızalanma durumunda garanti ve yedek parça hizmetleri Surkon tarafından verilmektedir. Hasar gören veya imalattan kaynaklanabilecek arızalar için servis süresi 24 saattir. İşin aciliyet durumuna göre yedek kriko verilerek müşteri memnuniyeti sağlanmaktadır. HKZ hidrolik silindirler 2 yıl Surkon garantisi altındadır.

Hızlı Fiyat Teklifi
![5 Ton Hidrolik Kriko <br/> Power Team C55CBT <br/><span class=orange> [5 Ton - 130 mm Strok]</span>](https://surkon.com.tr/uploads/03-hidrolik-ekipmanlar/power-team-silindirler/cbt/01-power-team-cbt.webp)
5 Ton Hidrolik Kriko
Power Team C55CBT
[5 Ton - 130 mm Strok]
![10 Ton Hidrolik Kriko <br/> Power Team C106CBT<br/><span class=orange> [10 Ton - 155 mm Strok]</span>](https://surkon.com.tr/uploads/03-hidrolik-ekipmanlar/power-team-silindirler/cbt/01-power-team-cbt.webp)
10 Ton Hidrolik Kriko
Power Team C106CBT
[10 Ton - 155 mm Strok]
![10 Ton Hidrolik Kriko <br/> Power Team C1010CBT<br/><span class=orange> [10 Ton - 250 mm Strok]</span>](https://surkon.com.tr/uploads/03-hidrolik-ekipmanlar/power-team-silindirler/cbt/01-power-team-cbt.webp)
10 Ton Hidrolik Kriko
Power Team C1010CBT
[10 Ton - 250 mm Strok]
![25 Ton Hidrolik Kriko <br/> Power Team C256CBT<br/><span class=orange> [25 Ton - 150 mm Strok]</span>](https://surkon.com.tr/uploads/03-hidrolik-ekipmanlar/power-team-silindirler/cbt/01-power-team-cbt.webp)
25 Ton Hidrolik Kriko
Power Team C256CBT
[25 Ton - 150 mm Strok]
![25 Ton Hidrolik Kriko <br/> Power Team C2514CBT<br/><span class=orange> [25 Ton - 362 mm Strok]</span>](https://surkon.com.tr/uploads/03-hidrolik-ekipmanlar/power-team-silindirler/cbt/01-power-team-cbt.webp)


